
|
上海川滬閥門有限公司專業生産的BX44W三通保溫旋塞閥又三通稱夾套旋塞閥,是在普通三通旋塞閥的基礎上,在旋塞閥閥體外部焊裝金屬夾套。在閥體兩測(cè)裝有夾套接口,可通入蒸氣或其它過熱氣體,以保護閥内介質不會在常溫下凝固或結晶。同一規格口徑的情況下,保溫旋塞閥的連接尺寸要比普通旋塞閥大一到兩個規格。BX44W三通保溫旋塞閥主要用於(yú)石油、化工、冶金、制藥等各類系統。 |
![]() |
BX44W三通保溫旋塞閥 |
| 型号 | 公稱壓力 PN(MPa) |
試驗壓力PS(MPa) | 工作壓力 P(MPa) |
适用介質 | 工作溫度 (℃) |
|
| 殼體 | 密封 | |||||
| BX44W-1.0P | 1.0 | 1.5 | 1.1 | 1.0 | 硝酸類等 | ≤250 |
| BX44W-1.0C | 1.0 | 1.5 | 1.1 | 1.0 | 非腐蝕、弱腐蝕 | ≤200 |
| 零件名稱 | 閥體、塞子 | 填料 |
| BX43W-1.0P BX43W-1.0R |
不鏽鋼 | 石墨盤根+304 |
| BX43W-1.0C | 鑄鋼 |
![]() |
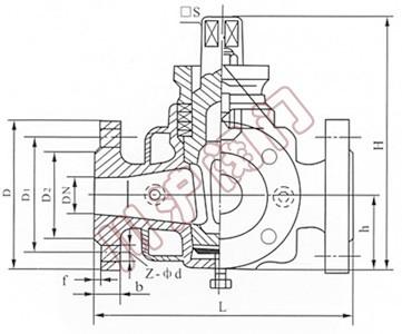
BX44W三通保溫旋塞閥(fá) 外形尺寸圖(tú) |
| 口徑(DN) | L | D | D1 | D2 | z-φd |
| 20 | 150 | 105 | 75 | 55 | 4╳14 |
| 25 | 160 | 115 | 85 | 65 | 4╳14 |
| 32 | 190 | 135 | 100 | 78 | 4╳18 |
| 40 | 200 | 145 | 110 | 85 | 4╳18 |
| 50 | 220 | 160 | 125 | 100 | 4╳18 |
| 65 | 280 | 180 | 145 | 120 | 4╳18 |
| 80 | 300 | 195 | 160 | 135 | 4╳18 |
| 100 | 340 | 215 | 180 | 155 | 8╳18 |
| 125 | 350 | 245 | 210 | 185 | 8╳18 |
| 150 | 400 | 280 | 240 | 210 | 8╳23 |
| 200 | 450 | 335 | 295 | 265 | 8╳23 |
| 250 | 530 | 390 | 350 | 320 | 8╳23 |
| 300 | 580 | 440 | 400 | 368 | 8╳23 |
|
|