
|
上海川滬閥門有限公司專業生産的杠杆浮球式蒸汽疏水閥,廣泛用於(yú)工業蒸汽加熱設備(bèi)、各種大型熱交換器及幹燥機、夾套鍋等,特别應用於(yú)冷凝水特大排量在的工作場合。杠杆浮球式蒸汽疏水閥是具有超大排量型蒸汽疏水閥,在整個工作壓力範圍内無須調整和更換内件,即可充分排除大量的凝結水,排水過冷度可達0℃,特别适合用於(yú)凝結水量大的工作場合。 |
![]() |
杠杆浮球式蒸汽疏水閥 |
| 零件名稱 | 材料 |
| 閥體、閥蓋 | WCB、HT250、不鏽鋼 |
| 閥座、閥芯 | 不鏽鋼 |
| 浮球 | 不鏽鋼 |
| 控制架 | 不鏽鋼 |
| 熱敏元件 | 哈氏合金 |
![]() |
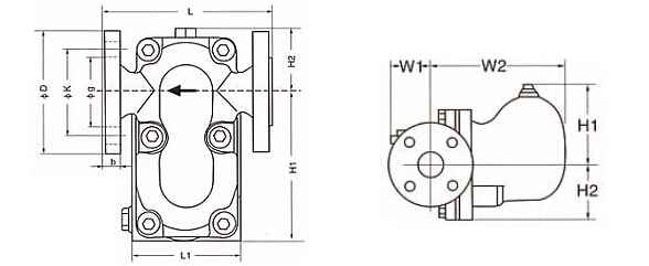
杠杆浮球式蒸汽疏水閥(fá)外形尺寸圖(tú) |
| 産品型号 | 公稱通徑DN e | 連接方式 | 使用壓力 MPa | 溫度 ℃ | 外形尺寸 | ||
| L | H1 | H2 | |||||
| SFT14-16 | 15-20 | 螺紋 | 0.01~1.6 | 250 | 125 | 55 | 55 |
| SFT14-16 | 15-25 | 螺紋 | 0.01~1.6 | 250 | 190 | 120 | 80 |
| SFT44-16 SFT43 SFT46 | 15-20 15-20 25 | 法蘭 | 0.01~1.6 | 350 | 195 215 | 85 | 115 |
| 32-50 65-80 | 法蘭 | 0.01~1.6 | 350 | 230 270 | 175 218 | 110 125 | |
| SUNA23/26H | 15-20 25 32-50 | ||||||
注:表中尺寸爲不帶标準附件數據。另由於(yú)産品改進技術創新參數可能有一定變(biàn)化,請咨詢公司技術部門索取新數據。
|
|