
|
上海川滬閥門有限公司生産(chǎn)的外螺紋針型閥是儀表測(cè)量管路系統中重要組成部分,主要有截止閥和球閥,其功用是作開啓或切斷管道通路用。外螺紋針型閥 産(chǎn)品型号:J23W 公稱通徑:DN6-DN25 材質:碳鋼、不鏽鋼 壓力:PN2.5-PN4.0 适用介質:液化石油氣、酸、水、蒸汽、油品等。 |
![]() |
![]() |
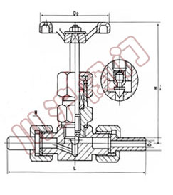
外螺紋針型閥 J23W |
| 零件名稱 Part name |
閥杆,閥蓋 Stem,Bonnet |
閥杆,閥瓣 Stem,disc |
填料 Packing |
|---|---|---|---|
| J21/23-16P | 鉻鎳不鏽鋼 Cr. Ni Stainless steel |
鉻鎳不鏽鋼 Cr. Ni Stainless steel |
聚四氟乙稀,柔性石墨 PTFE,Soft graphite |
| J21/23-160、J21/23-40 | 優質碳鋼 High grade carbon steel |
鉻不鏽鋼 Cr. Stainless steel |
| 型号 Type |
公稱壓力 PN Mpa |
試驗壓力PS(Mpa) Test pressure |
工作壓力(Mpa) Working pressure |
工作溫度(OC) Working temps. |
适用介質 Applicable medium |
||
|---|---|---|---|---|---|---|---|
| 殼體Shell | 密封(液)Seal | 密封(氣)Seal | |||||
| J21/23-16 | 1.6 | 2.4 | 1.76 | 0.6 | 1.6 | P≤540OC | 液化石油氣水,酸,蒸汽,油品等 Petroleum gas Water,As,Steam,Oil,etc. |
| J21/23-40P | 4.0 | 6.0 | 4.4 | 0.6 | 4.0 | ||
| J21/23-160 | 16.0 | 24.0 | 17.6 | 0.6 | 16.0 | C≤425 OC | |
| J21/23-320P | 32.0 | 48.0 | 35.2 | 0.6 | 32.0 | ||
| J21/23-420P | 42.0 | 63.0 | 46.2 | 0.6 | 42.0 | ||
| 公稱直徑 DN(mm) |
尺寸 Dimension | 重量(kg) Weight |
||||||
|---|---|---|---|---|---|---|---|---|
| Do | D1 | D2 | L | H1 | H2 | M | ||
| 6 | 65 | 14 | 6 | 140 | 96 | 106 | 20×1.5 | 0.9 |
| 10 | 80 | 18 | 10 | 160 | 115 | 125 | 24×1.5 | 1.18 |
| 15 | 100 | 22 | 15 | 180 | 122 | 132 | 30×2 | 2.0 |
| 20 | 110 | 28 | 18 | 220 | 156 | 166 | 30×2 | 3.5 |
| 25 | 140 | 33 | 22 | 230 | 169 | 180 | 39×2 | 4.3 |
1、安裝位置、高度、進出口方向必須符合設計要求,注意介質流動的方向應與閥體所标箭頭方向一緻,連接應牢固緊密。
2、閥門安裝前必須進行外觀檢查,閥門的銘牌應符合現行國家标準《通用閥門标志》GB 12220的規定。對於工作壓力大於1.0 MPa 及在主幹管上起到切斷作用的閥門,安裝前應進行強度和嚴密性能試驗,合格後方準使用。強度試驗時,試驗壓力爲公稱壓力的1.5倍,持續時間不少於5min,閥門殼體、填料應無滲漏爲合格。嚴密性試驗時,試驗壓力爲公稱壓力的1.1倍;試驗持續的時間符合GB 50243的要求。
注:表中尺寸爲不帶标準附件數據。另由於(yú)産品改進技術創新參數可能有一定變(biàn)化,請咨詢公司技術部門索取新數據。
|
|