
|
上海川滬生産的Q41M排污閥和高溫球閥外形相近,主要區别是密封填料和球閥材質不一樣,高溫球閥适用於(yú)≤350℃的工況,而排污閥耐腐蝕、耐磨損,适用於(yú)管道或者儲罐排污之用 ,性能可靠,使用壽命長,Q41M排污閥的球體、密封圈採用瞭(le)特殊的加工工藝和新密封材料,使球體表面粗糙度和圓度達到标準要求,從而提高瞭(le)密封性能和使用壽命、耐高溫的能力。 |
![]() |
Q41M排污閥 |
序号 |
零部件名稱 |
材料 |
1 |
閥體 |
球墨鑄鐵、碳素鋼、鑄不鏽鋼 |
2 |
密封圈 |
(M)高強度耐磨碳結石墨≤300℃ (PPN)對莅聚苯、溫度≤350℃ |
3 |
球 |
不鏽鋼 |
4 |
填料 |
聚四氟乙烯 |
5 |
填料壓蓋 |
QT450-10球墨鑄鐵 |
6 |
閥杆 |
碳素鋼、鉻不鏽鋼 |
7 |
手柄 |
碳鋼 |

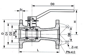
五、Q41M排污閥 外形尺寸
型号 |
規格 |
尺寸 |
||||||
L |
D |
D 1 |
D 2 |
z-φd |
H |
b |
||
Q41M-16 |
15 |
130 |
95 |
65 |
45 |
4-14 |
85 |
14 |
20 |
150 |
105 |
75 |
55 |
4-14 |
95 |
16 |
|
25 |
160 |
115 |
85 |
65 |
4-14 |
103 |
16 |
|
32 |
180 |
135 |
100 |
78 |
4-18 |
105 |
18 |
|
40 |
200 |
145 |
110 |
85 |
4-18 |
120 |
18 |
|
50 |
230 |
160 |
125 |
100 |
4-18 |
195 |
20 |
|
65 |
290 |
180 |
145 |
120 |
4-18 |
195 |
20 |
|
80 |
310 |
195 |
160 |
135 |
8-18 |
215 |
22 |
|
100 |
350 |
215 |
180 |
155 |
8-18 |
253 |
24 |
|
|
|