
|
上海川滬閥門有限公司專業生産(chǎn)的一片式内螺紋球閥,适用於(yú)1.6MPa壓力以下的工況,具有閥體輕巧、開關靈活等特點,一般公稱通徑大做到DN100,材質有304不鏽鋼、316不鏽鋼,連接螺紋有NPT螺紋,也有公制管螺紋。适用溫度一般不超過200度。 |
![]() |
一片式内螺紋球閥 |
| 零件名稱 | 材質 |
| 密封圈 | 聚四氟乙烯 |
| 球體 | 鑄鋼/不鏽鋼 |
| 閥蓋 | 鑄鋼/不鏽鋼 |
| 閥體 | 鑄鋼/不鏽鋼 |
| 閥杆 | 不鏽鋼 |
| 止推墊圈 | 聚四氟乙烯 |
| 填料 | 聚四氟乙烯 |
| 填料壓蓋螺母 | 碳鋼/不鏽鋼 |
| 墊圈 | 碳鋼/不鏽鋼 |
| 閥杆螺母 | 碳鋼/不鏽鋼 |
| 手柄套 | 塑料PLASTIC |
| 手柄 | 碳鋼/不鏽鋼 |
![]() |
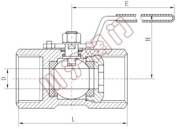
一片式内螺紋球閥(fá) 外形尺寸圖(tú) |
| SIZE | 1/4" | 3/8" | 1/2" | 3/4" | 1" | 1-1/4" | 1-1/2" | 2" |
| D | 5.0 | 7.0 | 9.2 | 12.5 | 15.0 | 20.0 | 24.5 | 32 |
| L | 40 | 45 | 56.5 | 60 | 72 | 78 | 85 | 100 |
| H | 35 | 37 | 43.5 | 47 | 50 | 57 | 69 | 74.5 |
| E | 64 | 70 | 90 | 90 | 103 | 103 | 127 | 127 |
|
|