
|
上海川滬閥門有限公司專業生産的D81F衛生級蝶閥採(cǎi)用卡箍式、圓螺紋式連接,具有結構簡單、造型美觀、裝拆快捷,開關迅速,操作靈活,流體阻力小,使用安全可靠等優點。替代法蘭,管螺紋、梯形螺紋等我國傳統的連接方式所産生的缺點。可配合各種執行機構。衛生級蝶閥全部材料採(cǎi)用耐酸不鏽鋼材料,密封件採(cǎi)用食品矽橡膠或聚四氟乙烯材料,符合食品衛生規範。廣泛适用於(yú)食品、釀酒、飲料、乳制品、精細化工制藥及生物工程等衆多行業。 |
![]() |
D81F衛生級蝶閥 |
規格:DN20-150,1″-6″
标準:DIN、SMS、ISO
材質:SUS304、SUS316L
![]() |
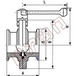
D81F衛生級(jí)蝶閥(fá) 外形尺寸圖 |
| 規格(ISO) | A | B | D | L | H | Kg |
| 20 | 66 | 78 | 50.5 | 130 | 82 | 1.35 |
| 25 | 66 | 78 | 50.5 | 130 | 82 | 1.35 |
| 32 | 66 | 78 | 50.5 | 130 | 82 | 1.2 |
| 38 | 70 | 86 | 50.5 | 130 | 86 | 1.3 |
| 51 | 76 | 102 | 64 | 140 | 96 | 1.85 |
| 63 | 98 | 115 | 77.5 | 150 | 103 | 2.25 |
| 76 | 98 | 128 | 91 | 150 | 110 | 2.6 |
| 89 | 102 | 139 | 106 | 170 | 116 | 3.0 |
| 102 | 106 | 154 | 119 | 170 | 122 | 3.6 |
| 108 | 106 | 159 | 119 | 170 | 126 | 3.6 |
| 133 | 140 | 185 | 145 | 190 | 138 | 6.5 |
| 159 | 260 | 215 | 172 | 190 | 153 | 11 |
|
|