
|
上海川滬閥門有限公司生産的凸耳式美标蝶閥D373H、D373Y美标蝶閥,美标蝶閥的主要結構特征分爲凸耳式、對夾式和法蘭式等三偏心結構,其特點爲:由於(yú)採用的是三偏心結構,密閉性能可靠,確保開啓時蝶闆不接觸密封座,消除瞭(le)密封座不均勻負載,延長瞭(le)使用壽命、確保可靠的密封性能,具有耐高溫、耐磨損、耐腐蝕等優點。D373H、D373Y 型美标蝶閥廣泛應用於(yú)石油、化工及工業環保水處理、高層建築、給排水等管道上。 |
![]() |
凸耳式美标蝶閥(fá) D373H、D373Y |
| 公稱通徑 | Dn(in) | 2″-36″ | 2″-36″ |
|---|---|---|---|
| 公稱壓力 | PN(MPa) | 150Lb | 300Lb |
| 試驗壓力Ps(MPa) | 強度試驗 | 3.0 | 7.5 |
| 密封試驗 | 2.2 | 5.5 | |
| 适用介質 | 水、蒸汽、郵品、酸堿類、海水等 | ||
| 适用溫度 | -40~425℃ | ||
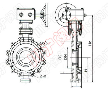
![]() |
凸耳式美标蝶閥(fá) 外形尺寸圖(tú) |
| 公稱通徑 | 結構長度 (标準值) | 外形尺寸 (參考值) | 連接尺寸 (标準值) | |||||
|---|---|---|---|---|---|---|---|---|
| L | H | H0 | D1 | D2 | M | Z-d | ||
| 6" | 150 | 70 | 175 | 545 | 241.5 | 216 | M20 | 8-22 |
| 8" | 200 | 71 | 210 | 615 | 298.5 | 270 | M20 | 8-22 |
| 10" | 250 | 76 | 250 | 695 | 362 | 324 | M24 | 12-25 |
| 12" | 300 | 86 | 285 | 830 | 432 | 381 | M24 | 12-25 |
| 14" | 350 | 92 | 320 | 900 | 476 | 413 | M27 | 12-29 |
| 16" | 400 | 102 | 355 | 980 | 540 | 470 | M27 | 16-29 |
| 18" | 450 | 114 | 380 | 1030 | 578 | 533 | M30 | 16-32 |
| 20" | 500 | 127 | 415 | 1110 | 635 | 584 | M30 | 20-32 |
| 24" | 600 | 154 | 475 | 1305 | 749.5 | 692 | M33 | 20-35 |
| 30" | 750 | 165 | 580 | 1525 | 914 | 857 | M33 | 28-35 |
| 36" | 900 | 203 | 680 | 1765 | 1085 | 1022 | M39 | 32-41 |
蝶閥結構簡單、體積小、重量輕,其組成部分也比較少,就關鍵的幾個零部件就能構成瞭蝶閥,開啓的時候也非常方便,隻需要把開關選擇到九十度即可,蝶閥對流體的控制非常好,可以随時增加流量或者減少流量,閥門在運輸任何流體的時候都有一定的阻力,而蝶閥的阻力主要來自於其自身,比如蝶閥體的厚度,如果想減少對流體的阻力隻需要降低其厚度即可。
彈性密封則具有受溫度限制的缺陷。
蝶閥的運用範圍也比較廣,如果用來控制流量的話就需要選擇不同的類型和閥體的大小瞭,因爲蝶閥在設計的時候本身就比較适合一些口徑比較大的閥門。蝶閥不僅在石油、煤氣、化工、水處理等一般工業上得到廣泛應用,而且還應用於熱電站的冷卻水系統。
1、在安裝時,閥瓣要停在關閉的位置上。
2、開啓位置應按蝶闆的旋轉角度來確定。
3、帶有旁通閥的蝶閥,開啓前應先打開旁通閥。
4、應按制造廠的安裝說明書進行安裝,重量大的蝶閥,應設置牢固的基礎。
注:表中尺寸爲不帶标準附件數據。另由於(yú)産品改進技術創新參數可能有一定變(biàn)化,請咨詢公司技術部門索取新數據。
|
|