
上海川滬閥門有限公司生産的氣動快速切斷蝶閥是採用三偏心金屬硬密封結構或者橡膠軟密封結構的蝶閥與高性能氣動活塞式執行器組成。氣動快速切斷蝶閥适用於(yú)兩位開關、切斷的場合,也稱爲氣動開關蝶閥。氣動快速切斷蝶閥外配行程限位開關、電磁閥、三聯件及0.4-0.7MPa氣源可實現開關操作,並(bìng)送出二對無源觸點信号指示閥門的開關。氣動快速開關蝶閥是以壓縮空氣爲動力,閥杆帶動閥芯在閥體内轉動90℃,可以實現全開——全閉的動作。氣動快速切斷蝶閥适用於(yú)冶金行業的高爐煤氣切斷、化工行業的介質快速切斷、水處理行業反滲透過程快速切斷等等,常溫介質用軟密封,高溫介質用金屬密封,配以快速排氣閥,可以實現1-3秒鍾的快速切斷功能。 |
![]() |
氣動快速切斷蝶閥 |
| 公稱通徑 mm | 50 | 65 | 80 | 100 | 125 | 150 | 200 | 250 | 300 | 350 | 400 | 450 | 500 | 600 | 700 | 800 | 900 | 1000 |
|---|---|---|---|---|---|---|---|---|---|---|---|---|---|---|---|---|---|---|
| 公稱壓力 MPa | 0.6、1.0、1.6、2.5 | |||||||||||||||||
| 連接方式 | 法蘭式、對夾式 | |||||||||||||||||
| 動作範圍 | 0~90° | |||||||||||||||||
| 密封形式 | 金屬密封、四氟密封、橡膠密封 | |||||||||||||||||
| 執行器型号 | GT、AT、AW系列單雙作用氣動執行器 | |||||||||||||||||
| 供氣壓力 | 0.4~0.7MPa | |||||||||||||||||
| 氣源接口 | G1/4"、G1/8"、G3/8"、G1/2" | |||||||||||||||||
| 環境溫度 | -30~+70℃ | |||||||||||||||||
| 作用形式 | 單作用執行機構、雙作用執行機構 | |||||||||||||||||
| 可配附件 | 定位器、電磁閥、空氣過濾減壓器、保位閥、行程開關、閥位傳送器、手輪機構等 | |||||||||||||||||
| 執行器型号 | GT、AT、AR、AW系列單雙作用氣動執行器 |
|---|---|
| 供氣壓力 | 0.4~0.7MPa |
| 氣源接口 | G1/4"、G1/8"、G3/8"、G1/2" |
| 環境溫度 | -30~+70℃ |
| 作用形式 | 單作用執行機構:氣關式(B)--失氣時閥位開(FO);氣開式(K)--失氣時閥位關(FC) |
![]() |
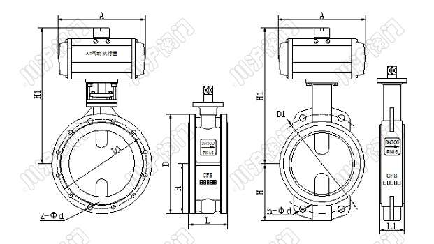
氣動快速切斷蝶閥 |
| 公稱通徑 | 結構長度 | 外形尺寸(參考值) | 連接尺寸(标準值) | ||||||||||||
|---|---|---|---|---|---|---|---|---|---|---|---|---|---|---|---|
| 0.6MPa | 1.0MPa | 1.6MPa | |||||||||||||
| 毫米 | 英寸 | L | L1 | H | H1 | A | D | D1 | n-d | D | D1 | n-d | D | D1 | n-d |
| 50 | 2 | 108 | 43 | 63 | 315 | 180 | 140 | 110 | 4-14 | 165 | 125 | 4-18 | 165 | 125 | 4-18 |
| 65 | 21/2 | 112 | 46 | 70 | 330 | 180 | 160 | 130 | 4-14 | 185 | 145 | 4-18 | 185 | 145 | 4-18 |
| 80 | 3 | 114 | 46 | 83 | 390 | 245 | 190 | 150 | 4-18 | 200 | 160 | 8-18 | 200 | 160 | 8-18 |
| 100 | 4 | 127 | 52 | 105 | 431 | 240 | 210 | 170 | 4-18 | 220 | 180 | 8-18 | 220 | 180 | 8-18 |
| 125 | 5 | 140 | 56 | 115 | 455 | 240 | 240 | 200 | 8-18 | 250 | 210 | 8-18 | 250 | 210 | 8-18 |
| 150 | 6 | 140 | 56 | 137 | 626 | 350 | 265 | 225 | 8-18 | 285 | 240 | 8-22 | 285 | 240 | 8-22 |
| 200 | 8 | 152 | 60 | 164 | 720 | 350 | 320 | 280 | 8-18 | 340 | 295 | 8-22 | 340 | 295 | 12-22 |
| 250 | 10 | 165 | 68 | 206 | 800 | 550 | 375 | 335 | 12-18 | 395 | 350 | 12-22 | 405 | 355 | 12-26 |
| 300 | 12 | 178 | 78 | 230 | 860 | 600 | 440 | 395 | 12-22 | 445 | 400 | 12-22 | 460 | 410 | 12-26 |
| 350 | 14 | 190 | 78 | 248 | 883 | 600 | 490 | 445 | 12-22 | 505 | 460 | 16-22 | 520 | 470 | 16-26 |
| 400 | 16 | 216 | 102 | 289 | 972 | 600 | 540 | 495 | 16-22 | 565 | 515 | 16-26 | 580 | 525 | 16-30 |
| 450 | 18 | 222 | 114 | 320 | 1043 | 750 | 595 | 550 | 16-22 | 615 | 565 | 20-26 | 640 | 585 | 20-30 |
| 500 | 20 | 229 | 127 | 343 | 1098 | 750 | 645 | 600 | 20-22 | 670 | 620 | 20-26 | 715 | 650 | 20-33 |
| 600 | 24 | 267 | 154 | 413 | 1236 | 750 | 755 | 705 | 20-26 | 780 | 725 | 20-30 | 840 | 770 | 20-36 |
| 700 | 28 | 430 | 165 | 478 | 1431 | 750 | 860 | 810 | 24-26 | 895 | 840 | 24-30 | 910 | 840 | 24-36 |
| 800 | 32 | 470 | 190 | 525 | 1488 | 750 | 975 | 920 | 24-30 | 1015 | 950 | 24-33 | 1025 | 950 | 24-39 |
| 900 | 36 | 510 | 203 | 620 | 1615 | 1250 | 1075 | 1020 | 24-30 | 1115 | 1050 | 28-33 | 1125 | 1050 | 28-39 |
| 1000 | 40 | 550 | 216 | 725 | 1765 | 1500 | 1175 | 1120 | 28-30 | 1230 | 1160 | 28-36 | 1255 | 1170 | 28-42 |
| 1200 | 48 | 630 | 254 | 780 | 1976 | 1500 | 1405 | 1340 | 32-33 | 1455 | 1380 | 32-39 | 1485 | 1390 | 32-48 |
注:表中尺寸爲不帶标準附件數據。另由於(yú)産品改進技術創新參數可能有一定變(biàn)化,請咨詢公司技術部門索取新數據。
|
|