
|
上海川滬閥門有限公司專業生産的Y45Y杠杆式減壓閥由閥體、閥蓋、閥杆、閥瓣、閥座及杠杆等零件組成,採(cǎi)用雙閥座、雙錐體閥瓣的結構,杠杆式蒸汽減壓閥採(cǎi)用壓力平衡式閥瓣,升降調節,其調節機構採(cǎi)用杠杆式,可配用角行程電動執行機構,實現遙控和自動控制。本系列減壓比用到0.6較爲合适。Y45Y杠杆式蒸汽減壓閥主要用於(yú)蒸汽管路,調節壓力。關廣泛應用在熱電聯産、輕紡、印染、石化、制糖等行業中。 |
![]() |
Y45Y杠杆式減壓閥 |
| 公稱壓力(Mpa) | 1.6 | 2.5 | 4.0 | 6.4 | 10.0 | 16.0 |
| 殼體試驗壓力(Mpa)* | 2.4 | 3.75 | 6.0 | 9.6 | 15.0 | 24 |
| 密封試驗壓力(Mpa) | 1.6 | 2.5 | 4.4 | 7.04 | 11 | 17.6 |
| 高進口壓力(Mpa) | 1.6 | 2.5 | 4.0 | 6.4 | 10.0 | 16.0 |
| 出口壓力範圍(Mpa) | 佳減壓比0.6 | |||||
| 溫度-壓力等級 | ANSI B16.34 | |||||
| 滲漏量 | 0.5%QMax | |||||
![]() |
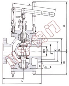
Y45Y杠杆式減(jiǎn)壓閥(fá) 外形尺寸圖 |
| 公稱通徑DN | 外 形 尺 寸 | |||
| L | L1 | H | Hl | |
| 50 | 300 | 150 | 520 | 190 |
| 65 | 340 | 170 | 540 | 205 |
| 80 | 380 | 190 | 550 | 215 |
| 100 | 400 | 215 | 580 | 240 |
| 125 | 430 | 225 | 620 | 275 |
| 150 | 450 | 230 | 650 | 320 |
| 200 | 500 | 260 | 790 | 340 |
| 250 | 550 | 285 | 850 | 370 |
| 300 | 750 | 395 | 940 | 460 |
| 350 | 850 | 445 | 990 | 530 |
| 400 | 950 | 550 | 1120 | 660 |
| 500 | 1130 | 680 | 1660 | 800 |
訂貨須知:
産品型号 公稱壓力 公稱通徑 連接法蘭标準 額定流量系數Cv 進口壓力 調節範圍 工作介質和介質溫度
|
|