
|
上海川滬閥門有限公司專業生産的Y42X水用減壓閥屬於(yú)直接作用式薄膜彈簧減壓閥,主要由調節彈簧、膜片、活塞、閥座、閥瓣等零件組成,利用膜片直接傳感下遊壓力驅動閥瓣,控制閥瓣開度完成減壓穩壓功能。 Y42X水用減壓閥在城市建築、高層建築的冷熱供水系統中,可取代常規分區水管,節省設備(bèi)。也可在通常的冷熱水管網中,起減壓穩壓作用。 本産品調壓、穩壓動作平穩,适用於(yú)水和非腐蝕性液體介質的管路。 |
![]() |
Y42X水用減壓閥 |
| 公稱壓力(Mpa) | 1.0 | 1.6 | 2.5 |
| 殼體試驗壓力(Mpa) | 1.5 | 2.4 | 3.75 |
| 密封試驗壓力(Mpa) | 1.0 | 1.6 | 2.5 |
| 高進口壓力(Mpa) | 1.0 | 1.6 | 2.5 |
| 出口壓力範圍(Mpa) | 0.2-0.8 | 0.2-1.0 | 0.4-1.6 |
| 壓力特性偏差(Mpa)△P2P | GB12244-1989 | ||
| 流量特性偏差(Mpa)P2G> | GB12244-1989 | ||
| 滲漏量 | 0 | ||
| 工作溫度 | 0℃-90℃ | ||
| *:殼體試驗不包括膜片、閥蓋 | |||
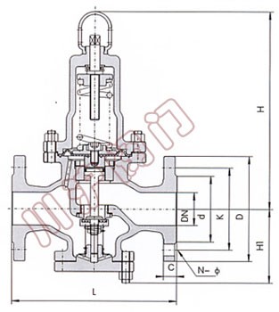
![]() |
Y42X水用減(jiǎn)壓閥(fá) 外形尺寸圖 |
| 公稱通徑DN | 外 形 尺 寸 | ||
| L | H | Hl | |
| 15 | 160 | 265 | 100 |
| 20 | 160 | 265 | 100 |
| 25 | 180 | 285 | 110 |
| 32 | 200 | 285 | 110 |
| 40 | 220 | 320 | 120 |
| 50 | 250 | 320 | 120 |
| 65 | 280 | 335 | 140 |
| 80 | 310 | 425 | 165 |
| 100 | 350 | 445 | 185 |
| 125 | 400 | 590 | 225 |
| 150 | 450 | 625 | 260 |
| 200 | 500 | 680 | 280 |
| 250 | 650 | 855 | 335 |
| 300 | 800 | 935 | 385 |
| 350 | 850 | 1015 | 430 |
| 400 | 900 | 1095 | 455 |
| 450 | 900 | 1165 | 500 |
| 500 | 950 | 1205 | 525 |
|
|