
|
上海川滬閥門有限公司專業生産(chǎn)的GM型高真空隔膜閥用於(yú)接通或切斷真空(壓力)系統管路中的介質,高真空隔膜閥廣泛應用於(yú)真空、乳制品、酒業、生物工程、食品、制藥、飲料、化妝品及化工領域。 |
![]() |
GM高真空隔膜閥 |
| 閥門漏率:Valve Leak Rate | ≤1.3×10-4Pa.L/S. | |
| 适用溫度:Applicable Temperature | -25~+80℃(丁腈橡膠) -30~+150℃(氟橡膠) |
|
| 适用範圍:Applicability | ||
| 連接型式 Loose Flange | 使用壓力範圍(Pa) | |
| 活套法蘭(GB6070、JB919) | 0.6×106~1.3×10-4 | |
| 焊接法蘭(GB6070、JB919) | 1.6×106~1.3×10-4 | |
| 快卸法蘭(GB4982) | 0.1×106~1.3×10-4 | |
| 螺紋連接 Threaded Connection | 1.6×106~1.3×10-4 | |
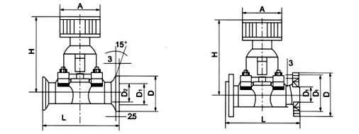
![]() |
GM高真空隔膜閥(fá)外形尺寸圖(tú) |
| Model 型号 |
DN | Do | D | n-φc | W | H/H1 | L |
| GM-10 | 10 | 40 | 55 | 4-φ6.6 | 65 | 89/99 | 75 |
| GM-16 | 16 | 45 | 60 | 4-φ6.6 | 80 | 89/99 | 108 |
| GM-20 | 20 | 50 | 65 | 4-φ6.6 | 80 | 91/102 | 118 |
| GM-25 | 25 | 55 | 70 | 4-φ6.6 | 80 | 110/123 | 120 |
| GM-32 | 32 | 70 | 90 | 4-φ9 | 80 | 129/138 | 146 |
| GM-40 | 40 | 80 | 100 | 4-φ9 | 120 | 139/159 | 150 |
| GM-50 | 50 | 90 | 110 | 4-φ9 | 120 | 159/186 | 180 |
| Model 型号 |
DN | D1 | D | W | H/H1 | L |
| GM-10 | 10 | 12.2 | 30 | 65 | 89/99 | 75 |
| GM-16 | 16 | 17.2 | 30 | 80 | 89/99 | 108 |
| GM-20 | 20 | 26.2 | 40 | 80 | 91/102 | 118 |
| GM-25 | 25 | 26.2 | 40 | 80 | 110/123 | 120 |
| GM-32 | 32 | 34.2 | 55 | 80 | 129/138 | 146 |
| GM-40 | 40 | 41.2 | 55 | 120 | 139/159 | 150 |
| GM-50 | 50 | 52.2 | 75 | 120 | 159/186 | 18 |
注:表中尺寸爲不帶标準附件數據。另由於(yú)産品改進技術創新參數可能有一定變(biàn)化,請咨詢公司技術部門索取新數據。
|
|