
一、電動三通球閥 産品概述
川滬牌電動三通球閥是由CHR角行程電動執行器及三通球閥組成,是一種旋轉類切斷、調節閥門,具有關閉嚴密,結構緊湊,重量輕,維修方便等優點。電動三通球閥以220V單相交流電爲動力源,接受控制系統的開關信号,通過單相電源切換驅動可逆單相齒輪減速機,使球閥按規定要求對管路進行切換。兩閥座密封電動三通球閥具有結構緊湊、外型美觀、密封性能好,它能實現對管道中介質流向的切換,也能使相互垂直的兩個通道連通或關閉。四閥座密封電動三通球閥具有造型美觀、結構緊湊合理。它不僅可實現介質流向的切換,也可使三個通道相互連通,現時也可關閉任一通道,使另外兩個通道連通,靈活控制管路中介質的合流或分流。 電動三通球閥适用於供水、石化、冶金、礦山、輕紡、能源、造紙、食品、鋼鐵等管路系統中對介質流向進行切換以及對介質的分流或混合流體。
|
|
Q944/45F電動三通球閥 |
二、電動三通球閥 主要特點
1、結構緊湊、啓閉迅速、流道暢通、流體阻力小。 2、密封性能好:利用四面閥座材料聚四氟乙烯彈性變形實現無洩漏密封。 3、一閥多用:任一通口可用作入口而無洩漏,三通既可制成L型通口,也可制成T型通口。 4、維修方便:在系統卸壓後,無需拆下整個閥體就可進行檢查和維修。 |
三、電動三通球閥 主要技術參數
1、閥體
| 閥體形式 |
三通鑄造球型閥 |
| 公稱通徑 |
DN15~200mm |
| 公稱壓力 |
PN1.6、2.5、4.0 MPa;ANSI 150、300LB ;JIS 10、20、30K |
| 法蘭标準 |
GB/T9113、 JB/T79、HG20594及其他标準 |
| 連接形式 |
法蘭(FF RF RTJ)、焊接(SW BW)、螺紋(錐螺紋、管螺紋) |
| 閥蓋形式 |
整體式 |
| 壓蓋型式 |
螺栓壓緊式 |
| 密封填料 |
V型聚四氟乙烯填料、含浸聚四氟乙烯填料、石棉編織填料、柔性石墨 |
| 閥體材料 |
鑄鋼(WCB)、不鏽鋼(CF8、CF8M、CF3、CF3M) |
2、閥内件
| 閥芯形式 |
O型球體閥芯+電子抛光 |
| 流量特性 |
近似快開特性 |
| 閥芯材料 |
不鏽鋼(CF8、CF8M、CF3、CF3M)+氮化處理 |
3、執行器
| 執行器型号 |
CHR、3810R、DZW、HQ、PSQ |
| 主要技術參數 |
電源電壓:220V/50Hz、380V/50Hz、輸入信号:4-20mA或1-5V·DC、輸出信号:4-20mA·DC |
| 防護等級:相當IP65(或IP67)、隔爆标志:ExdⅡBT4(CT5)、手操功能:手柄、手輪 |
| 環境溫度:-25~+70℃、環境濕度:≤95% |
四、電動三通球閥 閥門控制方式
電動三通球閥分L型和T型,介質流通方向見下圖。L型電動三通球閥适用於介質流向的切換,能使相互垂直的兩個通道連通:T型電動三通球閥适用於介質的分流、合流或流向 切換,T型孔道可以使三個通道互相連通或使其中兩個通道連通,電動三通球閥一般採用兩個閥座結構,亦可根據用戶要求採用四閥座結構。 |
|
五、電動三通球閥 主要性能規範
| 公稱通徑 DN(mm) |
15 |
20 |
25 |
32 |
40 |
50 |
65 |
80 |
100 |
125 |
150 |
200 |
| 允許壓差(MPa) |
≤ 公稱壓力 |
| 動作範圍 |
0~90° |
| 洩露量Q |
按GB/T4213-92,小於額定KV0.01% |
| 基本誤差 |
±1% |
| 回差 |
±1% |
| 死區 |
≤1% |
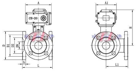
六、電動三通球閥 外形尺寸圖
七、電動三通球閥 外形連接尺寸
| 公稱通徑 DN(mm) |
15 |
20 |
25 |
32 |
40 |
50 |
65 |
80 |
100 |
125 |
150 |
200 |
| L |
150 |
150 |
180 |
200 |
220 |
240 |
260 |
280 |
320 |
380 |
440 |
550 |
| L1 |
75 |
75 |
90 |
100 |
110 |
120 |
130 |
140 |
160 |
190 |
220 |
275 |
| H |
根據所配執行機構而定 |
| D |
95 |
105 |
115 |
140 |
150 |
165 |
185 |
200 |
220 |
250 |
285 |
340 |
| D1 |
65 |
75 |
85 |
100 |
110 |
125 |
145 |
160 |
180 |
210 |
240 |
295 |
| D2 |
46 |
56 |
65 |
76 |
84 |
99 |
118 |
132 |
156 |
184 |
211 |
266 |
| b |
14 |
16 |
16 |
18 |
18 |
20 |
20 |
20 |
22 |
22 |
24 |
24 |
| A、A1 |
根據閥門所需力矩而定,配置機型不同,外形尺寸也不相同 |
注:表中尺寸爲不帶标準附件數據。另由於産品改進技術創新參數可能有一定變化,請咨詢公司技術部門索取新數據。