
|
上海川滬閥門有限公司專業生産的H42立式止回閥,适用於水、油、氣體等各種介質。H42立式止閥門正常情況下處於關閉狀态,由於管線中進口端介質的壓力作用,而克服彈簧阻力使閥門開啓。當進口端介質壓力低於出口端時,彈簧将閥芯推向閥座而使閥門關閉,阻止介質逆流,故起止回作用。 |
![]() |
H42立式止回閥 |
| 設計與制造 | GB/T12235 | |
| 連接端尺寸 | 結構長度 | GB/T12221 |
| 法蘭尺寸 | JB/T79 | |
| 檢驗與試驗 | JB/T9092 | |
| 材料 | 碳鋼 | GB/T12229 |
| 不鏽鋼 | GB/T12230 | |
| 合金鋼 | Q/ZB66 | |
| 标志 | GB/T12220 | |
| 供貨 | JB/T7928 | |
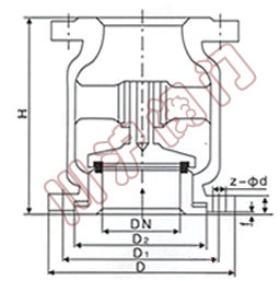
![]() |
H42立式止回閥(fá)外形尺寸圖(tú) |
| 型号 | 公稱通徑 DN | 尺寸(mm) | ||||||
| L | D | D1 | D2 | H | b | Z-Φd | ||
| H42W-16) | 15 | 130 | 95 | 65 | 45 | 77 | 14 | 4-14 |
| 20 | 150 | 105 | 75 | 55 | 77 | 14 | 4-14 | |
| 25 | 160 | 115 | 85 | 65 | 80 | 16 | 4-14 | |
| 32 | 180 | 135 | 100 | 78 | 85 | 16 | 4-18 | |
| 40 | 200 | 145 | 110 | 85 | 95 | 16 | 4-18 | |
| 50 | 230 | 160 | 125 | 100 | 105 | 16 | 4-18 | |
| 65 | 290 | 180 | 145 | 120 | 120 | 18 | 4-18 | |
| 80 | 310 | 195 | 160 | 135 | 130 | 20 | 8-18 | |
| 100 | 350 | 215 | 180 | 155 | 140 | 20 | 8-18 | |
| 125 | 400 | 245 | 210 | 185 | 155 | 22 | 8-18 | |
| 150 | 480 | 280 | 240 | 210 | 180 | 24 | 8-23 | |
| 200 | 600 | 335 | 295 | 265 | 215 | 26 | 12-23 | |
注:表中尺寸爲不帶标準附件數據。另由於(yú)産品改進技術創新參數可能有一定變(biàn)化,請咨詢公司技術部門索取新數據。
|
|