
一、氣動高真空蝶閥 産品概述
上海川滬閥門有限公司生産的氣動高真空蝶閥GUD是通過電磁換向閥改變氣路方向,控制執行氣缸驅動蝶閥作啓閉(bì)運動,用於(yú)接通或切斷真空管路中的氣流。氣動高真空蝶閥适用 介質爲純淨空氣和非腐蝕性氣體,可選配反饋信号裝置及電氣閥門定位器。 |
|
氣動高真空蝶閥 |
二、氣動高真空蝶閥 主要技術參數
| 公稱通徑DN |
DN32~1000 |
| 動作範圍 |
0~90° |
| 洩漏率 |
≤1.3×10-9Pa.M3/S |
| 适用壓力範圍 |
1.3×10-5Pa~3×105Pa |
| 工作溫度 |
氟橡膠-25℃~+150℃ |
| 安裝位置 |
任意 |
| 壽命 |
≥10000次 |
| 配用執行機構 |
GT、AT、AR、AW系列單雙作用氣動執行器 |
| 控制方式 |
開關兩位控制、4~20mA模拟量信号控制 |
三、氣動高真空蝶閥 執行機構
| 執行器型号 |
GT系列、SR系列、AT系列、AW系列單雙作用氣動執行器 |
| 供氣壓力 |
400~700KPa |
| 氣源接口 |
G1/4"、G1/8"、G3/8"、G1/2" |
| 環境溫度 |
-30~+70℃ |
| 作用形式 |
單作用執行機構:氣關式(B)--失氣時閥位開(FO);氣開式(K)--失氣時閥位關(FC) 雙作用執行機構:氣關式(B)--失氣時閥位保持(FL);氣開式(K)-- 失氣時閥位保持(FL) |
| 可配附件 |
定位器、電磁閥、空氣過濾減壓器、保位閥、行程開關、閥位傳送器、手輪機構等 |
四、氣動高真空蝶閥 零件材料
| 零件名稱 |
材料 |
| 閥體 |
304、316、316L |
| 蝶闆 |
304、316、316L |
| 密封圈 |
矽橡膠、氟橡膠、聚四氟 |
| 閥杆 |
304、316、316L |
| 填料 |
矽橡膠、氟橡膠、聚四氟 |
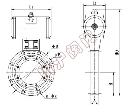
五、氣動高真空蝶閥 外形尺寸圖
六、氣動高真空蝶閥 外形連接尺寸
| 型号 |
DN |
結構長度 |
ΦD |
ΦB |
n-Φc |
H0-H |
L1 |
| GIQ-32 |
32 |
70 |
90 |
22 |
4-Φ9 |
187 |
158 |
| GIQ-40 |
40 |
80 |
100 |
22 |
4-Φ9 |
197 |
158 |
| GIQ-50 |
50 |
90 |
110 |
22 |
4-Φ9 |
207 |
158 |
| GIQ-63 |
63 |
110 |
130 |
28 |
4-Φ9 |
227 |
158 |
| GIQ-80 |
80 |
125 |
145 |
28 |
8-Φ9 |
242 |
158 |
| GIQ-100 |
100 |
145 |
165 |
28 |
8-Φ9 |
262 |
158 |
| GIQ-125 |
125 |
175 |
200 |
34 |
8-Φ11 |
323 |
172 |
| GIQ-160 |
150 |
200 |
225 |
34 |
8-Φ11 |
348 |
172 |
| GIQ-200 |
200 |
260 |
285 |
40 |
12-Φ11 |
450 |
197 |
| GIQ-250 |
250 |
310 |
335 |
45 |
12-Φ11 |
525 |
248 |
| GIQ-320 |
300 |
395 |
425 |
50 |
12-Φ14 |
622 |
248 |
| GIQ-400 |
400 |
480 |
510 |
60 |
16-Φ14 |
733 |
295 |
| GIQ-500 |
500 |
580 |
610 |
70 |
16-Φ14 |
900 |
360 |
| GIQ-600 |
600 |
720 |
750 |
80 |
20-Φ14 |
980 |
370 |
| GIQ-800 |
800 |
890 |
920 |
100 |
24-Φ14 |
1220 |
410 |
| GIQ-1000 |
1000 |
1090 |
1120 |
120 |
32-Φ14 |
1594 |
580 |
注:表中尺寸爲不帶标準附件數據。另由於(yú)産品改進技術創新參數可能有一定變(biàn)化,請咨詢公司技術部門索取新數據。